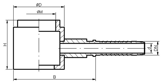
| Średnica węża DN |
Średnica wew. oczka M | H [mm] |
[mm] |
B [mm] |
d [mm] |
System oznaczeń |
Symbol |
| 8 | M16x1,5 | 20 | 30 | 48.0 | 5.5 | 1 | P03 08 16x30x20 |
| 8 | M18x1,5 | 20 | 30 | 48.0 | 5.5 | 2 | P03 08 18x30x20 |
| 10 | M18x1,5 | 25 | 25 | 42.5 | 7.0 | 1 | P03 10 18x25x25 |
| 10 | M18x1,5 | 20 | 30 | 47.5 | 7.0 | 2 | P03 10 18x30x20 |
| 13 | M18x1,5 | 20 | 30 | 51.0 | 10.0 | 1 | P03 13 18x30x20 |
| 13 | M27x1,5 | 30 | 44 | 65.0 | 10.0 | 2 | P03 13 27x44x30 |
| 16 | M22x1,5 | 35 | 35 | 57.5 | 12.5 | 1 | P03 16 22x35x30 |
| 16 | M22x1,5 | 25 | 36 | 58.5 | 12.5 | 2 | P03 16 22x36x25 |